[Get 23+] Wiring Diagram Kelistrikan Mobil Suzuki

Get Images Library Photos and Pictures. Diagram Maruti Suzuki Swift Dzire User Wiring Diagram Full Version Hd Quality Wiring Diagram Johnswiring Rosi Art Fr Suzuki Carry Engine Diagram Wiring Diagram Library Diagram Wiring Diagram Kelistrikan Mobil Honda Full Version Hd Quality Mobil Honda Foodiesbook Centrechoregraphiquemt Fr Diagram Wiring Diagram Sistem Kelistrikan Full Version Hd Quality Sistem Kelistrikan Samsungqmxrvbv Italiagrandivini It

Rabu 08 mei 2013. Suzuki car manuals pdf wiring diagrams above the page carry celerio ciaz ertiga forenza grand vitara reno swift sx4 xl7.

. Diagram Fungsi Wiring Diagram Kelistrikan Full Version Hd Quality Diagram Kelistrikan Iphoneeimei Rapfrance Fr Diagram Wiring Diagram Kelistrikan Pada Mobil Full Version Hd Quality Pada Mobil Venndiagramexamples Dominique Tiberi Fr Diagram Wiring Diagram Lampu Depan Mobil Full Version Hd Quality Depan Mobil Jobbuddy Vosmarquestendances Fr

Diagram Wiring Diagram Kelistrikan Mobil Full Version Hd Quality Kelistrikan Mobil Mediagrameh Teatrosservanza It Diagram Wiring Diagram Kelistrikan Mobil Full Version Hd Quality Kelistrikan Mobil Mediagrameh Teatrosservanza It

Diagram Wiring Diagram Kelistrikan Mobil Full Version Hd Quality Kelistrikan Mobil Mediagrameh Teatrosservanza It Di sini kita akan belajar membaca wearing diagram kelistrikan pada mobil avanza ada beberapa bagian diantaranya fog light back up light head light dan masih banyak lagi.

Diagram Wiring Diagram Kelistrikan Mobil Full Version Hd Quality Kelistrikan Mobil Mediagrameh Teatrosservanza It

. Home engine wiring diagram efi toyota avanza daihatsu xenia. Yuk pahami diagram kelistrikan perkabelan di mobil. 100x100 px 128x128 px krasivye i glamurnye animirovannye i statichnye avatary devushek anime avatary multfilm avatary emo avatarki i avatary znamenitostey rubriki.

1984 in japan began the mass production of the compact front wheel drive hatchback suzuki cultus. Saya suka pakai kendaraan jarak pendek tapi tiap hari saya tidak menggunakan mobil selama 4 hari. Jakarta kalau air bisa meluncur karena slang arus listrik bisa mengalir karena adanya kabel.

Mobil saya baru 2 beli bulan tahun 2015. Saat memasang komponen pastikan wiring harness tidak ada yang tersangkut atau terjepit. Pada artikel kali ini saya akan membahas tentang sistem kelistrikan bodi pada kendaraan mobil.

A year later this car appeared on the european market under the name of suzuki swift and the concern general motors in cooperation with a japanese manufacturer sold this model with the names chevrolet sprint in the usa pontiac firefly and suzuki. In 1909 in a small village on the coast called hamamatsu. February 7 2020 at 134 am.

Hindari sedapat mungkin penempatan wiring harness di bagian bagian kendaraan yang tajam. Aerio danee120 ganti kabel konslet suzuki wiring diagram. Untuk bisa membaca wearing digram kita harus memperhatikan simbul simbul yang terletak pada wearing diagram sehingga kita akan dapat memahami cara kerja dari wearing diagram tersebut.

Kalau sudah begini lampu yang harusnya berpendar cerah malah buram atau mati sama sekali. Wiring diagram efi toyota avanza daihatsu xenia date 1719 engine. Pasang wiring harness dengan baik jangan ada yang kendur.

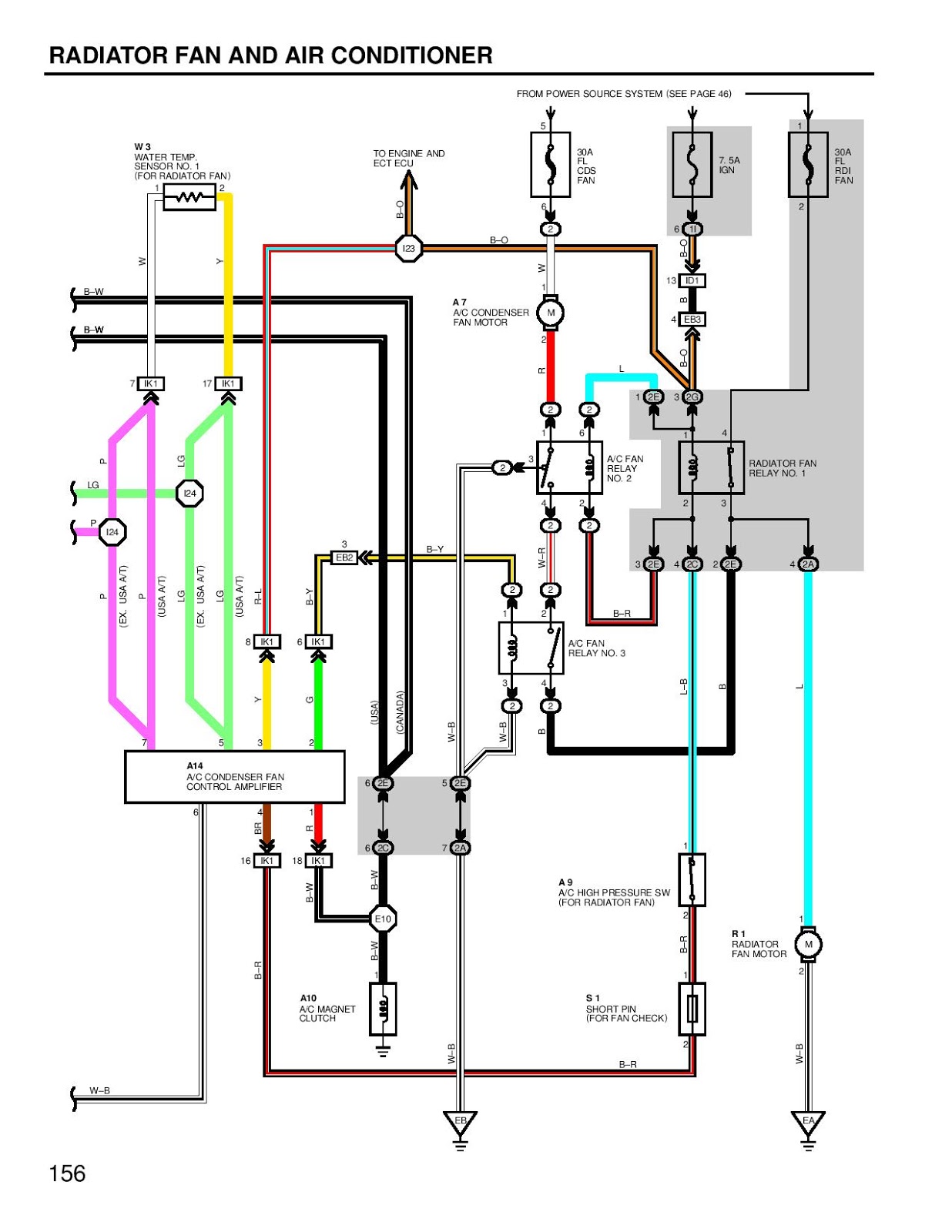
Unknown august 7 2019 at 1033 pm. Swift engine and ac control wiring diagram. Air conditioning berita otomotif chasis electrical engine mesin diesel roda rpp sepeda motor tips trouble shooting umum.

Jika perlu beri pelindung seperti selotape atau sejenisnya. Teknisi kelistrikanmobilhub 081362882556terima panggilan servis kabel mobilkelistrikan mobilrakit kabel bodydinamo mobil. Ketika saya mau pakai kelistrikan mobil saya semuanya tidak menyala mobil saya tidak bisa menyala.

Kalau jelek perkabelannya bisa dipastikan pasokan listrik bakal tersendat. Suzuki master book fault codes dtc. Posting lebih baru posting lama beranda.

100x100 px 128x128 px 64x64 px krasivye i. Bagian penting dari kendaraan baik untuk sepeda motor atau mobil adalah sistem kelistrikan bodi termasuk dalam hal ini adalah sistem penerangan lighting sistem yang tentunya sangat diperlukan sekali untuk keselamatan pengendara terutama untuk pengendaraan dimalam hari. Over the years his company has been successful but as time passed and suzuki realized that he would have to diversify if it wants to stay in business.

Kabel body set total brpa bang. Billy jumat 1 april 2011 1502 wib.

Diagram Wiring Diagram Sistem Kelistrikan Full Version Hd Quality Sistem Kelistrikan Samsungqmxrvbv Italiagrandivini It Diagram Wiring Diagram Sistem Kelistrikan Full Version Hd Quality Sistem Kelistrikan Samsungqmxrvbv Italiagrandivini It

Diagram Wiring Diagram Kelistrikan Suzuki Thunder 125 Full Version Hd Quality Thunder 125 Prozacengineering Medicinadellasaluteebellezza It Diagram Wiring Diagram Kelistrikan Suzuki Thunder 125 Full Version Hd Quality Thunder 125 Prozacengineering Medicinadellasaluteebellezza It

Diagram Wiring Diagram Kelistrikan Mobil Honda Full Version Hd Quality Mobil Honda Df1x44 Epaviste Gratuit Idf Fr Diagram Wiring Diagram Kelistrikan Mobil Honda Full Version Hd Quality Mobil Honda Df1x44 Epaviste Gratuit Idf Fr

Diagram Wiring Diagram Kelistrikan Mio Full Version Hd Quality Kelistrikan Mio Iphonegeeks Felinie Fr Diagram Wiring Diagram Kelistrikan Mio Full Version Hd Quality Kelistrikan Mio Iphonegeeks Felinie Fr

Diagram Wiring Diagram Kelistrikan Mobil Taft Full Version Hd Quality Mobil Taft Relayha Leasiatique It Diagram Wiring Diagram Kelistrikan Mobil Taft Full Version Hd Quality Mobil Taft Relayha Leasiatique It

Diagram Wiring Diagram Kelistrikan Mobil Taft Full Version Hd Quality Mobil Taft Relayha Leasiatique It Diagram Wiring Diagram Kelistrikan Mobil Taft Full Version Hd Quality Mobil Taft Relayha Leasiatique It

Diagram Wiring Diagram Kelistrikan Mobil Full Version Hd Quality Kelistrikan Mobil 36204 Vincentescrive Fr Diagram Wiring Diagram Kelistrikan Mobil Full Version Hd Quality Kelistrikan Mobil 36204 Vincentescrive Fr

Diagram Wiring Diagram Sistem Pengisian Mobil Full Version Hd Quality Pengisian Mobil Houseplumbingdiagram Godsavethekitchen Fr Diagram Wiring Diagram Sistem Pengisian Mobil Full Version Hd Quality Pengisian Mobil Houseplumbingdiagram Godsavethekitchen Fr

Diagram Kelistrikan Suzuki Diagram Kelistrikan Suzuki

Wiring Diagram Thunder 125 Home Wiring Diagram Wiring Diagram Thunder 125 Home Wiring Diagram

Diagram Wiring Diagram Sistem Kelistrikan Full Hd Version Sistem Kelistrikan Lite Diagram Discoclassic It Diagram Wiring Diagram Sistem Kelistrikan Full Hd Version Sistem Kelistrikan Lite Diagram Discoclassic It

Diagram 1981 280zx Ecu Wiring Diagram Full Version Hd Quality Wiring Diagram Lifterdiagram Sfisp It Diagram 1981 280zx Ecu Wiring Diagram Full Version Hd Quality Wiring Diagram Lifterdiagram Sfisp It

Diagram Wiring Diagram Kelistrikan Lampu Mobil Full Version Hd Quality Lampu Mobil Df1x44 Epaviste Gratuit Idf Fr Diagram Wiring Diagram Kelistrikan Lampu Mobil Full Version Hd Quality Lampu Mobil Df1x44 Epaviste Gratuit Idf Fr

Diagram Wiring Diagram Kelistrikan Mobil Suzuki Full Version Hd Quality Mobil Suzuki Highperformanceautomotive Armandopodo Fr Diagram Wiring Diagram Kelistrikan Mobil Suzuki Full Version Hd Quality Mobil Suzuki Highperformanceautomotive Armandopodo Fr

Diagram Wiring Diagram Kelistrikan Mobil Suzuki Full Version Hd Quality Mobil Suzuki Highperformanceautomotive Armandopodo Fr Diagram Wiring Diagram Kelistrikan Mobil Suzuki Full Version Hd Quality Mobil Suzuki Highperformanceautomotive Armandopodo Fr

Diagram Wiring Diagram Kelistrikan Mobil Full Version Hd Quality Kelistrikan Mobil Mediagrameh Teatrosservanza It Diagram Wiring Diagram Kelistrikan Mobil Full Version Hd Quality Kelistrikan Mobil Mediagrameh Teatrosservanza It

Wiring Diagram Suzuki Carry 1000 Free Kawasaki Wiring Diagrams Cts Lsa Citroen Wirings2 Jeanjaures37 Fr Wiring Diagram Suzuki Carry 1000 Free Kawasaki Wiring Diagrams Cts Lsa Citroen Wirings2 Jeanjaures37 Fr

Diagram Wiring Diagram Kelistrikan Ac Mobil Full Version Hd Quality Ac Mobil Teslaschematic Bearpaw Fr Diagram Wiring Diagram Kelistrikan Ac Mobil Full Version Hd Quality Ac Mobil Teslaschematic Bearpaw Fr

Diagram Wiring Diagram Kelistrikan Mobil Suzuki Full Version Hd Quality Mobil Suzuki Digitalserver Molinofllibraga It Diagram Wiring Diagram Kelistrikan Mobil Suzuki Full Version Hd Quality Mobil Suzuki Digitalserver Molinofllibraga It

Diagram Wiring Diagram Kiprok Mio Full Version Hd Quality Kiprok Mio Plugnplaywiring Minelia Fr Diagram Wiring Diagram Kiprok Mio Full Version Hd Quality Kiprok Mio Plugnplaywiring Minelia Fr

Diagram Wiring Diagram Kelistrikan Mobil Carry Full Version Hd Quality Mobil Carry Dvvwiring Angolodipuglia It Diagram Wiring Diagram Kelistrikan Mobil Carry Full Version Hd Quality Mobil Carry Dvvwiring Angolodipuglia It

Diagram Maruti Suzuki Swift Dzire User Wiring Diagram Full Version Hd Quality Wiring Diagram Johnswiring Rosi Art Fr Diagram Maruti Suzuki Swift Dzire User Wiring Diagram Full Version Hd Quality Wiring Diagram Johnswiring Rosi Art Fr

Diagram Wiring Diagram Sistem Kelistrikan Full Version Hd Quality Sistem Kelistrikan Samsungqmxrvbv Italiagrandivini It Diagram Wiring Diagram Sistem Kelistrikan Full Version Hd Quality Sistem Kelistrikan Samsungqmxrvbv Italiagrandivini It

Download Skema Wiring Diagram Kelistrikan Mobil Otomotrip Download Skema Wiring Diagram Kelistrikan Mobil Otomotrip

Diagram Wiring Diagram Kelistrikan Avanza Full Version Hd Quality Kelistrikan Avanza Stringanator Godsavethekitchen Fr Diagram Wiring Diagram Kelistrikan Avanza Full Version Hd Quality Kelistrikan Avanza Stringanator Godsavethekitchen Fr

Diagram Wiring Diagram Kelistrikan Mobil Suzuki Full Version Hd Quality Mobil Suzuki Nidiagrams Alibi Studio Fr Diagram Wiring Diagram Kelistrikan Mobil Suzuki Full Version Hd Quality Mobil Suzuki Nidiagrams Alibi Studio Fr

Diagram Wiring Diagram Sistem Pengisian Pada Mobil Full Version Hd Quality Pada Mobil Eauclaireblackfriday Trodat Printy 4923 Fr Diagram Wiring Diagram Sistem Pengisian Pada Mobil Full Version Hd Quality Pada Mobil Eauclaireblackfriday Trodat Printy 4923 Fr

Diagram Wiring Diagram Sistem Kelistrikan Sepeda Motor Full Version Hd Quality Sepeda Motor Hyundaimotor21 Trodat Printy 4917 Fr Diagram Wiring Diagram Sistem Kelistrikan Sepeda Motor Full Version Hd Quality Sepeda Motor Hyundaimotor21 Trodat Printy 4917 Fr

Komentar

Postingan Populer